>
>
>
Alternateur compatible pour DANSK RENOVERINGSINDUSTRI 2263201102
Article en stock sous 2/5 jours

Entreprisevendéenne

Paiement100% sécurisé
Infos techniques
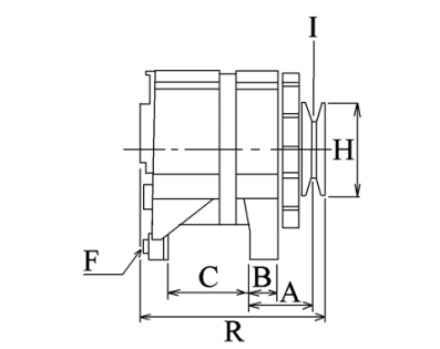
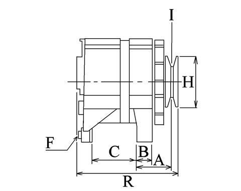
Côtes et dimensions de l'alternateur pour DANSK RENOVERINGSINDUSTRI 2263201102
Information Physique
Information Catalogues
Mikatec propose uniquement des alternateurs neufs.
HC-CARGO est une marque du groupe BOSCH principalement destinée aux professionnels du secteur automobile.
Depuis 1963, HC-CARGO est appréciée non seulement pour la grande qualité de ses produits, mais aussi pour sa réactivité et la fiabilité de ses services.
HC-CARGO garantit la qualité de ses produits en effectuant de nombreux tests de conformité, de manière aléatoire sur leurs lignes de production.
Poltique de garantie.
Nous sommes fiers de la qualité de nos produits, mais vous pouvez être encore plus rassurée, tous les produits de marque HC-CARGO sont garantis 2 ans.
En cas de rupture de stock chez notre fournisseur HC Cargo, nous nous réservons le droit de remplacer le produit par un équivalent d'un autre fournisseur ! (la durée de garantie peut varier).
Les composants de l'alternateur.