>
>
>
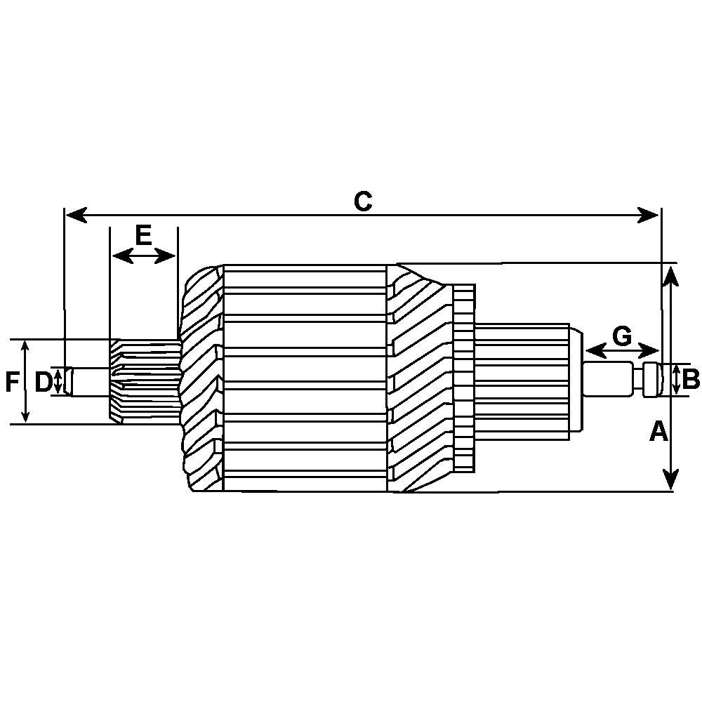
Induit Bosch pour démarreur VOLKSWAGEN 03L911021
Article en rupture de stock

Entreprisevendéenne

Paiement100% sécurisé
Infos techniques
Information Physique
L’induit de votre démarreur et, en particulier, son collecteur s’usent avec le temps, à cause du frottement des balais de charbon sur les lamelles du collecteur.
Celles-ci se creusent : les charbons peuvent alors sortir de leur porte-balais.
Dans ce cas, il arrive qu'une des lamelles de l’induit soit arrachée à cause de la vitesse de rotation.
Conseil de pro :
Si le bobinage de votre démarreur est grillé, alors cela signifie que votre démarreur était encore engagé sur le volant moteur, tandis que le moteur de votre véhicule était lancé.
Vous devez absolument identifier la cause de la panne pour que ce scénario ne se reproduise pas !
Généralement, la panne est due à un défaut du lanceur, du solénoïde ou du neiman.