Mikatec

>

DÉMARREUR ET SES COMPOSANTS

>

Induit démarreur

>

Induit compatible pour démarreur BOSCH F002G70047

Induit compatible pour démarreur BOSCH F002G70047

Référence : CAO233715-891982

Article en stock sous 7 à 10 jours

9151TTC
Entreprise basée en Vendée - France

Entreprise
vendéenne

Moyens de paiement 100% sécurisés

Paiement
100% sécurisé

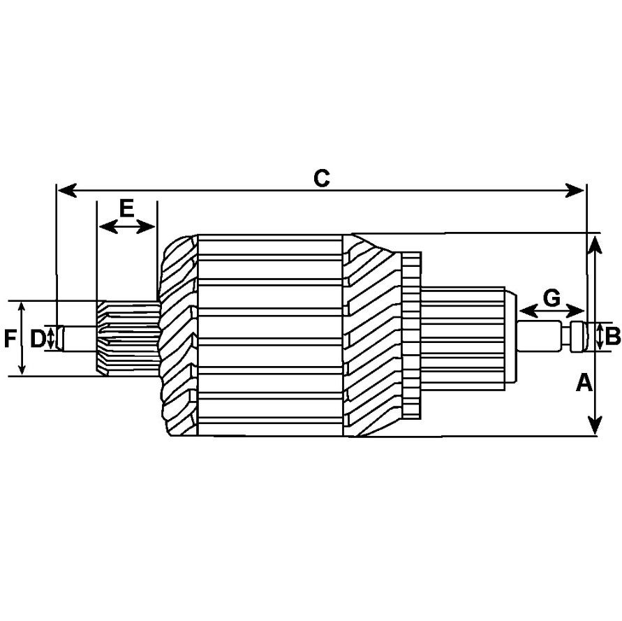
Infos techniques

Voltage
12
B - Dia. Arbre/côté collecteur
10,00
N° lamelle
23
Kw
1,7
Marque
HC-CARGO

Information Physique

A - Diam. Fil
55.00
D - L'arbre d'entraînement DE
8.00
C - Longueur d'arbre
145.50
Rotation
Sens anti-horaire/avec -horaire
N° de dents
11
G - Distance/commutateur
19.10
Induit de démarreur
Induit de démarreur
Induit de démarreur

 

Pourquoi dois-je remplacer l’induit de mon démarreur ?

L’induit de votre démarreur et, en particulier, son collecteur s’usent avec le temps, à cause du frottement des balais de charbon sur les lamelles du collecteur.
Celles-ci se creusent : les charbons peuvent alors sortir de leur porte-balais. 
Dans ce cas, il arrive qu'une des lamelles de l’induit soit arrachée à cause de la vitesse de rotation.

L’induit de mon démarreur est grillé ?

 

Conseil de pro
Conseil de pro

Conseil de pro :

Si le bobinage de votre démarreur est grillé, alors cela signifie que votre démarreur était encore engagé sur le volant moteur, tandis que le moteur de votre véhicule était lancé.


Vous devez absolument identifier la cause de la panne pour que ce scénario ne se reproduise pas !
Généralement, la panne est due à un défaut du lanceur, du solénoïde ou du neiman.

Lanceur de démarreur
Lanceur de démarreur
Lanceur de démarreur
Solénoide de démarreur
Solénoide de démarreur
Solénoide de démarreur
Neiman
Neiman
Neiman