>
>
>
Lanceur compatible pour démarreur CAV 1320F921
Article en fin de série

Entreprisevendéenne

Paiement100% sécurisé
Infos techniques
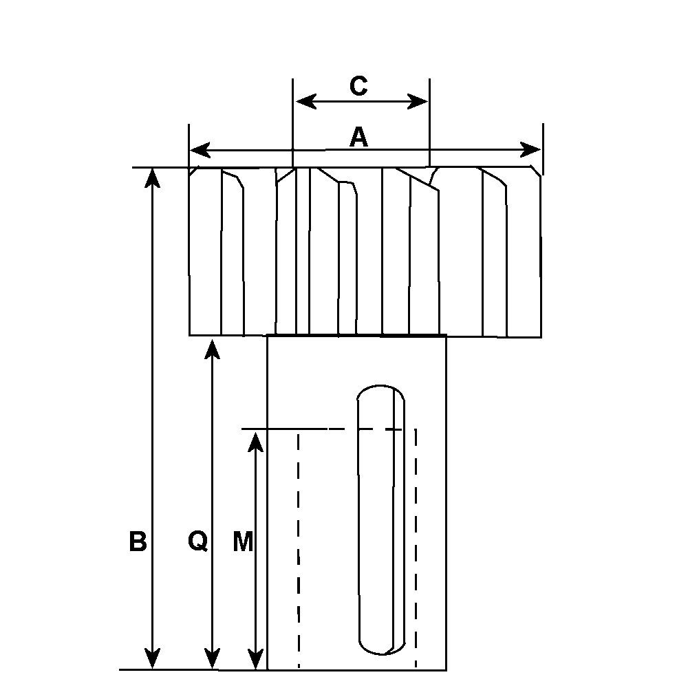
Côtes et dimensions du lanceur de démarreur
C'est très simple : si le démarreur tourne, mais qu'il ne parvient pas à attaquer le volant moteur, alors il y a de très fortes chances que le lanceur soit la cause du problème.
Pour vérifier le bon fonctionnement de votre lanceur, il vous suffit de vérifier que le pignon bouge librement et que le lanceur n'est pas bloqué. Profitez-en pour vérifier l'état des ressorts et des dents du pignon. Si votre lanceur est grippé, rouillé ou usé, vous devrez le remplacer.