>
>
>
Bague collectrice compatible pour alternateur VALEO 231368
En stock

Entreprisevendéenne

Paiement100% sécurisé
Infos techniques
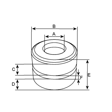
Côtes et dimensions de la bague collectrice pour VALEO 231368
Comme vous pouvez le voir sur cette photo, les pistes de cuivre de cette bague collectrice ont été usées par le frottement des balais de charbon.
Veuillez prêter une attention toute particulière à la première piste de cuivre.
Nous estimons qu’à partir de 2,5 mm de profondeur d’usure, il vous faudra remplacer votre bague collectrice ou plus simplement votre alternateur.
Les clients ont également acheté ...