Mikatec

>

ALTERNATEUR ET SES COMPOSANTS

>

Rotor alternateur

>

Rotor d'alternateur compatible pour BOSCH 1124033018

Rotor d'alternateur compatible pour BOSCH 1124033018

Référence : CAO234095-837879

Article en stock sous 7 à 10 jours

7789TTC
Entreprise basée en Vendée - France

Entreprise
vendéenne

Moyens de paiement 100% sécurisés

Paiement
100% sécurisé

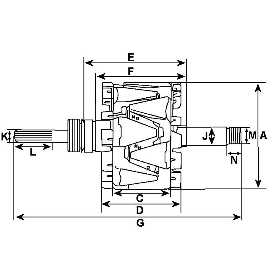
Infos techniques

Voltage
14
Amp.
20
A - DE mm
73,00
G - Longueur totale mm
83,20
Marque
HC-CARGO

Information consigne

C - Hauteur mm
46.10
Ventilateur de refroidissement
Sans
Stator d'alternateur cramé
Stator d'alternateur cramé

Conseil de pro pour le remplacement du stator ou du rotor d'un alternateur BOSCH 1124033018 !

Si le rotor ou le stator de votre alternateur est endommagé, il est très probable que d'autres composants soient eux aussi abîmés.

Nous vous conseillons de vous renseigner sur le prix d'un alternateur neuf, car remplacer le modèle entier s'avère parfois moins coûteux qu'une remise en état de votre alternateur.

Notre exigence.
Notre exigence.

Notre exigence qualité !

Les produits vendus sur le site Mikatec sont soumis à des tests complets. Des ingénieurs vérifient le bon ajustement des pièces, ainsi que les performances mécaniques et électriques des machines.

Notre fournisseur effectue aussi des tests de durabilité en pratiquant des contrôles aléatoires sur la chaîne de production.

L'ensemble de ces vérifications nous permet de vous garantir la meilleure qualité sur le marché des pièces automobiles.