>
>
>
Rotor d'alternateur compatible pour DENSO 1042105440
Article en fin de série

Entreprisevendéenne

Paiement100% sécurisé
Infos techniques
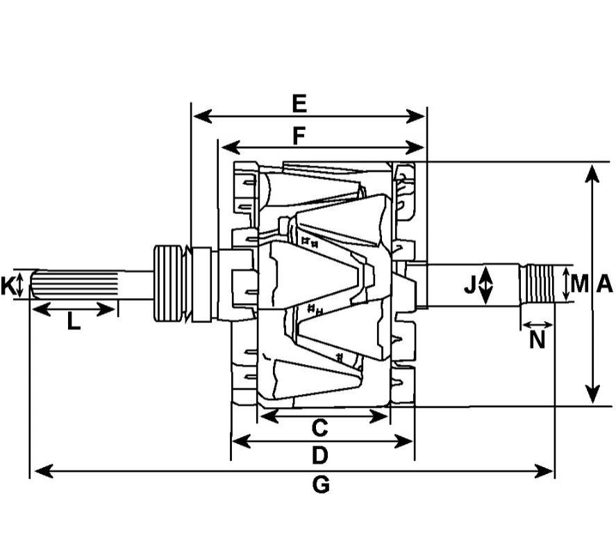
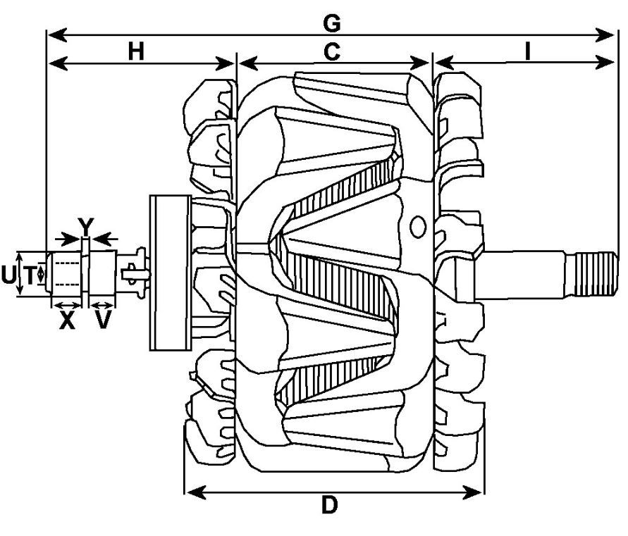
Côtes et dimensions du rotor d’alternateur
Si le rotor ou le stator de votre alternateur est endommagé, il est très probable que d'autres composants soient eux aussi abîmés.
Nous vous conseillons de vous renseigner sur le prix d'un alternateur neuf, car remplacer le modèle entier s'avère parfois moins coûteux qu'une remise en état de votre alternateur.
Notre exigence qualité !
Les produits vendus sur le site Mikatec sont soumis à des tests complets. Des ingénieurs vérifient le bon ajustement des pièces, ainsi que les performances mécaniques et électriques des machines.
Notre fournisseur effectue aussi des tests de durabilité en pratiquant des contrôles aléatoires sur la chaîne de production.
L'ensemble de ces vérifications nous permet de vous garantir la meilleure qualité sur le marché des pièces automobiles.