Mikatec

>

DÉMARREUR ET SES COMPOSANTS

>

Solénoide démarreur

>

Solénoide compatible pour démarreur BOSCH 0331402705

Solénoide compatible pour démarreur BOSCH 0331402705

Référence : CAO130301Z-925033

En stock

2663TTC
Entreprise basée en Vendée - France

Entreprise
vendéenne

Moyens de paiement 100% sécurisés

Paiement
100% sécurisé

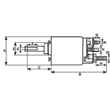
Infos techniques

Voltage
12
A - DE mm
61,30
N° trous de fixation
3
N° bornes
3
Marque
HC-CARGO
 

Côtes et dimensions du solénoïde pour démarreur BOSCH 0331402705

Schéma solenoide demarreur
Schéma solenoide demarreur

Compléments d’informations

Information Physique

B - Longueur totale mm
108.00

Information Plongeur

Q - Longueur mm
82.90
S - Di/oeil
5.60

Capot

G - B+
M10
H - Hauteur/B+
24.00
Borne 50/mm
M4/12.00
M - Boulon de la bobine
M10
N - Boulon de la bobine l.
17.00

 

Conformité et qualité garanties !

Pour tout achat de machine et de pièces détachées possédant votre référence d'origine, Mikatec vous propose un échange ou le remboursement de votre commande en cas d'insatisfaction !

Pour cela, complétez le formulaire de retour et renvoyez-le nous avec le produit commandé.

 

Comment remplacer le solénoide de mon démarreur BOSCH 0331402705 ?

L'astuce de pro !

- Prenez des photos avant et pendant toute l'opération de démontage ;

- Connectez une pile de 9V aux connectiques de la batterie, afin de ne pas perdre les paramètres de programmation de votre véhicule.

 

1. Débranchez la borne négative de la batterie, puis la borne positive, afin de travailler en sécurité ;

2. Débranchez les câbles d'alimentation de votre démarreur ;

3. Déposez le démarreur du véhicule, en retirant les vis de fixation ;

Débrancher la borne négative puis la positive de la batterie
Débrancher la borne négative puis la positive de la batterie
Débrancher l'alimentation et connecteur du démarreur
Débrancher l'alimentation et connecteur du démarreur
Retirer le démarreur du bloc moteur
Retirer le démarreur du bloc moteur

4. Ôtez les deux vis de fixation du solénoide ;

5. Ôtez le solénoïde du démarreur, puis remplacez-le par le solénoide neuf ;

6. Procédez au remontage du démarreur (dans le sens inverse).

 

Avis clients

4,85 / 5
 

sur 20 avis

Chez Mikatec les avis sont fiables et font suite à un achat. En savoir plus.

R

ROMAIN D.

 
avis laissé ledu 17/03/2025
top

B

BERNARD D.

 
avis laissé ledu 18/11/2024
Compatible sans modification

J

JEAN PAUL R.

 
avis laissé ledu 12/10/2024
pas de problème pour le montage,fonctionne très bien,à voir dans la durée.

T

THIERRY P.

 
avis laissé ledu 19/08/2024
10/10

P

PHILIPPE P.

 
avis laissé ledu 19/05/2024
Très bien

A

Acheteur vérifié

 
avis laissé ledu 29/03/2024
non merci

P

PHILIPPE L.

 
avis laissé ledu 22/03/2024
fonctionne comme l'origine

J

JEAN MICHEL B.

 
avis laissé ledu 10/11/2023
Correspond PARFAITEMENT !

J

JEAN PAUL R.

 
avis laissé ledu 11/05/2023
ras rein a sigaler et suis tres satisfait

G

GRAZIANO M.

 
avis laissé ledu 01/03/2023
aucun avis à voir plus tard .

A

Acheteur vérifié

 
avis laissé ledu 20/05/2022
ok merci

Avis soumis à un contrôle

Pour vous garantir leur fiabilité, nos avis sont exclusivement sollicités auprès de clients ayant achetés des produits sur notre boutique. Aucune contrepartie n'a été fournie en échange des avis. Les avis sont publiés et conservés sans limitation de temps. Si un client souhaite modifier son avis, il peut prendre contact avec la Société des Avis Garantis, notre tiers de confiance. Pour plus d'informations, notamment sur les caractéristiques du contrôle des avis et les motifs de suppression des avis, merci de consulter le site de laSociété des Avis Garantis.